به گزارش پرشین خودرو، ارتقای کشنده های شرکت آرین دیزل میتواند تاثیر مثبتی بر روی ایمنی حمل و نقل و همچنین افزایش قابلیتهای تجاری و رقابتی این شرکت داشته باشد.
براساس این گزارش، تمامی کشنده های شرکت آرین دیزل از این پس با آپشن ADR به فروش خواهد رسید.
این گزارش می افزاید که کامیون باری جفت محور X۵۰۰۰L پیش از این دارای ADR بوده است.

سیستم ADR در کامیون چیست؟
ADR مخفف Accord Dangeroux Routier به معنای “توافقنامه اروپایی در خصوص حملونقل کالاهای خطرناک” است.
ADR مجموعهای از مقررات است که حمل ونقل کالاهای خطرناک به وسیله ماشینهای سنگین را در اروپا تنظیم میکند. این کالاها ممکن است شامل مواد شیمیایی خطرناک، مواد نفتی و گازی، مواد سمی، رادیواکتیو، مواد اشتعالزا و اکسیدانی، مواد زیانآور برای محیطزیست، مواد شیمیایی سمی و غیره شامل بنزین، روغنموتور، آمونیاک، آکریلیکاسید، باتریها، مواد شیمیایی هوازی و غیره باشند. این مقررات شامل الزامات بستهبندی، برچسبگذاری و نشانهگذاری مربوط به کالاهای خطرناکی است که با کامیون حمل میشوند.

سیستم ADR
سیستم ADR عمدتاً در مکانهایی استفاده میشود که روشن و خاموش کردن موتور و یا قطع برق موجب تولید قوس الکتریکی شود.
این سیستم می تواند در مواقع اضطراری به سرعت برق کل خودرو را قطع کند، مانند تانکرهای حمل سوخت، وسایل نقلیه قابل اشتعال شیمیایی و مواد منفجره، نظامی وسایل نقلیه حمل مهمات وهمچنین مکان هایی که وسایل نقلیه در محیط انبار مواد ذکر شده قرار می گیرند.
در شرایط عادی ۱۰ ثانیه طول می کشد تا برق خودرو توسط سیستم قطع کن اتوماتیک قطع شود، اما سیستم ADR تنها در ۳ ثانیه می تواند برق خودرو را قطع کند.
در مواقع اضطراری، راننده موظف است برق تمام ادوات الکتریکی خودرو را در سریع ترین زمان ممکن قطع نماید.
سیستم ADR می تواند، حتی در صورت وقوع تصادف، برق خودرو را قطع کند تا خطر آتش سوزی خودرو را کاهش دهد.
دیگر موقعیتی که می توان از این سیستم استفاده کرد، زمانی که خودرو در حال سوخت گیری باشد.
این سیستم می تواند برق را از داخل کابین و هم از خارج کابین قطع کند. سیستم ADR کلیدی را در خارج از کابین طراحی کرده است که می توان در خارج از خودرو نیز برای خاموش شدن اضطراری اقدام کرد.
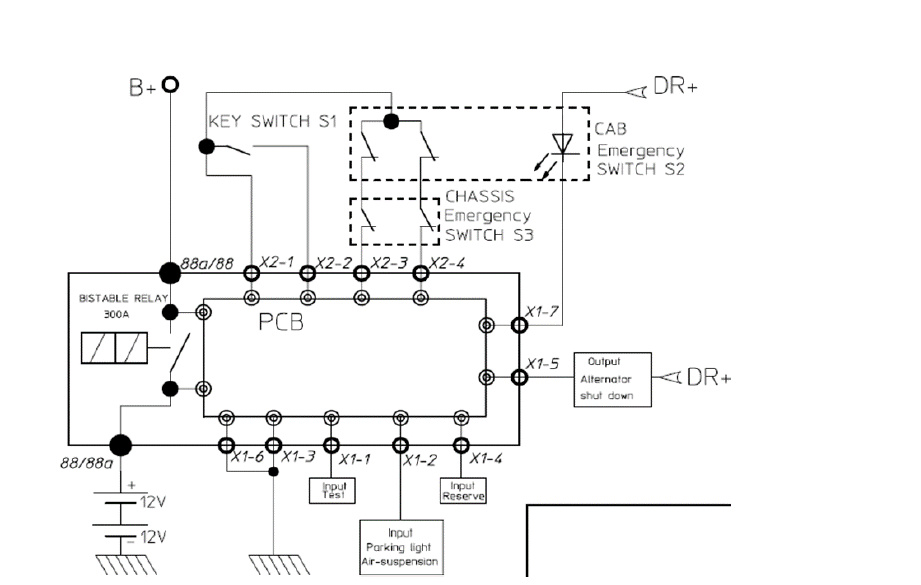
سیستم ADR عمدتاً شامل کنترلر، رله، سوئیچ قطع کن برق باتری و کلید برق کابین است. نمودار شماتیک این سیستم در شکل نشان داده شده است.

نمودار شماتیک داخلی سیستم کنترل ADR در شکل زیر نشان داده شده است:

نکات مهم:
قبل از استارت زدن ، لطفاً از بسته بودن سوئیچ S۲/S۳ اطمینان حاصل کنید.
در شرایط عادی رانندگی، S۲/S۳ در صورت نیاز به توقف و قطع برق، ابتدا سوییچ را ببندید (ماشین را خاموش کنید) و بعد از ۵ دقیقه، رله K۱ را جدا کنید.
در حالت اضطراری (موتور خودرو روشن است)، ابتدا سوییچ را ببندید (ماشین را خاموش کنید)، سپس کلید S۲ یا S۳ را جدا کنید.